一、实验目的
1、了解数控车床的基本结构、工作原理和操作方法,掌握数控车床的编程指令与技巧。
2、能够根据零件图纸要求,运用数控编程知识编制合理的加工程序,并在数控车床上完成零件的加工。
3、通过实践操作,培养学生的动手能力、创新思维以及解决实际工程问题的能力,同时增强学生对机械制造工艺过程的感性认识和理
二、实验任务
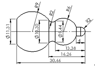
本次实验任务是加工一个如图(1)所示的轴类零件,该零件包括圆柱面、圆锥面、圆弧面以及螺纹等典型特征,通过对该零件的加工,能综合运用数控车床的各种加工功能和编程指令。

图(1)轴类零件图
三、实验设备
1、数控车床:选用卧式数控车床,其具有高精度、高刚性的特点,能够满足各种复杂轴类零件的加工要求。该机床配备FANUC-OiMateTC数控系统(2台)和GSK980-TD1数控系统(4台),操作界面友好,功能强大,具备直线插补、圆弧插补、螺纹切削等多种加工功能。

2、刀具系统:根据零件的加工工艺要求,准备了外圆车刀、切槽刀、螺纹刀等刀具。刀具材料为硬质合金,具有良好的耐磨性和切削性能,能够保证零件的加工精度和表面质量。
3、量具:游标卡尺、千分尺、螺纹规等测量工具,用于零件加工过程中的尺寸测量与精度检验。
四、实验过程
(一)零件工艺分析
1、零件材料为铝棒,切削性能良好。根据零件的形状和尺寸精度要求,确定加工工艺路线为:粗车外圆→精车外圆→车圆锥面→车圆弧面→切槽→车螺纹。
2、选择合适的切削参数,如切削速度、进给量和切削深度等。在粗加工时,为了提高加工效率,可选择较大的切削深度和进给量,但要保证刀具的强度和机床的功率;在精加工时,为了保证零件的表面质量,应选择较小的切削深度和进给量。
(二)数控编程
根据工艺分析结果,采用数控系统所支持的编程指令格式编写数控加工程序。
五、机床操作
1.开机与回零
2.刀具安装与对刀
3.程序输入与校验
4.零件加工
5.零件测量与质量分析
六、实验总结
通过本次数控车床实践,学生深入了解了数控车床的结构、原理和操作方法,掌握了数控编程的基本技能,能够独立完成简单轴类零件的加工。在实践过程中,学生不仅提高了自己的动手能力和解决实际问题的能力,还培养了严谨的工作态度和团队协作精神。同时,通过对零件加工质量的分析与改进,学生进一步加深了对机械制造工艺知识的理解,为今后从事机械加工相关工作奠定了坚实的基础。
